商品明細

低溫雙段螺旋冷凍壓縮機

  • 料號:SRT
  • SRT系列雙段螺旋式冷凍/熱泵壓縮機,在歷經客戶多年的使用與磨練,已獲得國內外各機組廠家的肯定與讚賞,並榮獲多項國內外產品認證與品質認證,例如:「ISO 9001、ISO14000、OHSAS-18000、ISO1461-1溫暖氣體盤查驗證及「TOSHMS國際品質認證」、「臺灣精品獎」,「2010年經濟部產業創新獎」等。

商品詳細介紹Product Introduction

SRT系列雙段螺旋式冷凍/熱泵壓縮機,在歷經客戶多年的使用與磨練,已獲得國內外各機組廠家的肯定與讚賞,並榮獲多項國內外產品認證與品質認證,例如:「ISO 9001、ISO14000、OHSAS-18000、ISO1461-1溫暖氣體盤查驗證及「TOSHMS國際品質認證」、「臺灣精品獎」,「2010年經濟部產業創新獎」等。

SRT雙段螺旋熱泵為綠色高效率的熱泵產品, 採用環保R134a冷媒,高效率的精密雙級螺旋熱泵壓縮機, 節能減碳貢獻多。SRT314HA~SRT413HA高溫熱泵系列, 能力範圍-單壓200~500 kW,排氣量約267/172~636/300m3/hr, 製熱能力單壓120~300kW 。SRT218~SRT415低溫冷凍系列, R22蒸發溫度-25℃~-60℃,(R404A(R507)蒸發溫度-25℃~-65℃), cop達1.68(Evp.-35℃),排氣量約144/60~759/300m3/hr。

產品特色:

  • 可並聯使用,滿足大冷量需求。
  • 低噪音,震動小,無需加裝避震軟管。
  • 蒸發溫度可達-60℃(R22)/ -65℃ (R404A/ R507)
  • 理想之壓縮原理,幾近無脈動輸出,設備操作維護方便。
  • 雙段壓縮結構原理簡單,提升可靠度並縮小主機所需空間,可大幅降低控制成本。
  • -30℃~ -65℃低溫應用時,比單段螺旋壓縮機效率高30%以上、比低溫雙段往復機效率高約20%


機械規範:



 

運轉規範:



 

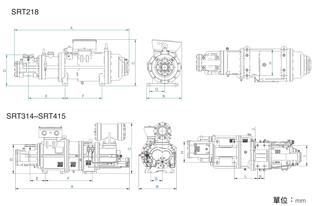
外型尺寸:




 

商品注意事項Product Notes